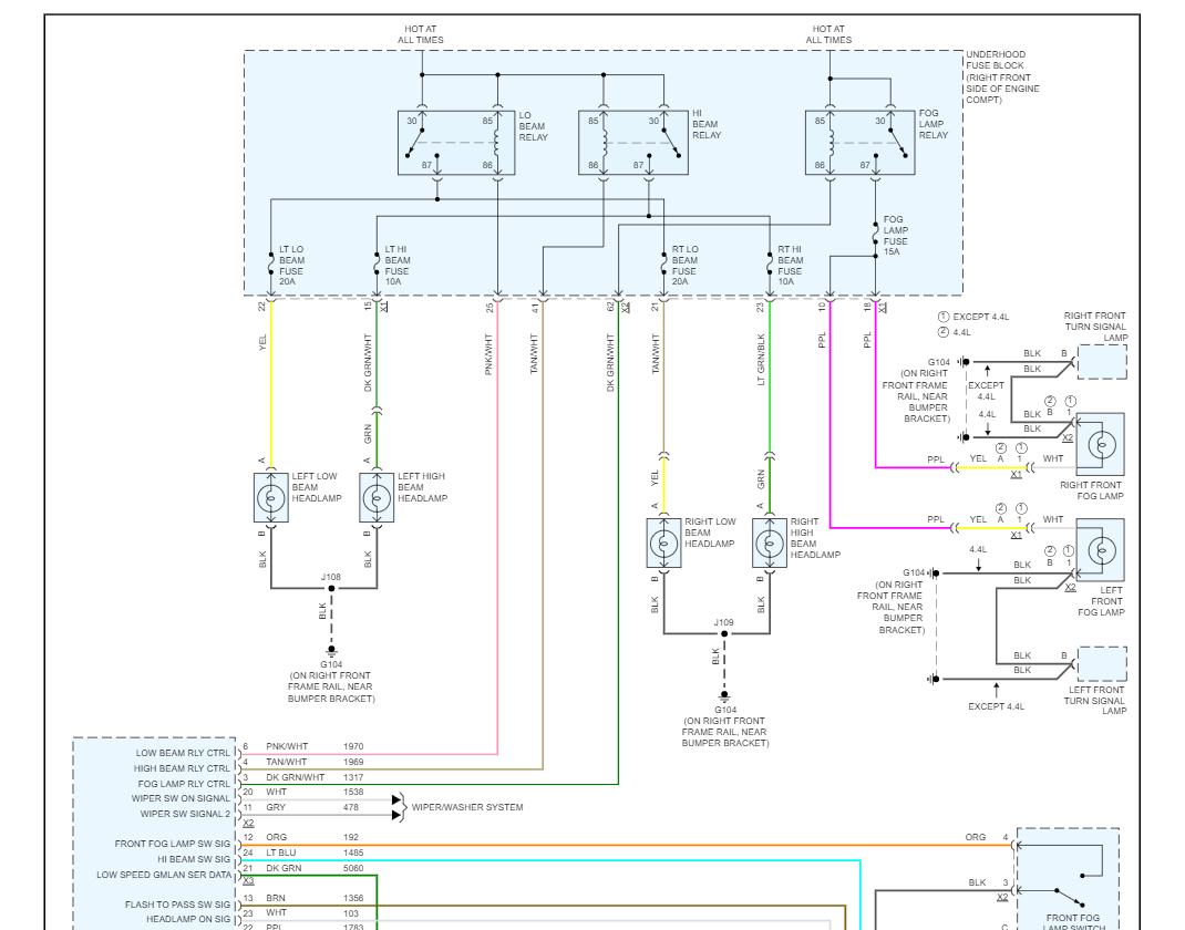
2020 Kia Telluride Recalled Because Halogen High Beams May Fail

2020 Kia Telluride High Beams Not Working. Kia Telluride SX Night POV Drive LED Headlight & HighBeams Test To date, we have not had any issues involving its windshield. On the left, the low beam is good, the high beam is not

For 2020 2021 Kia Telluride Front LED Headlight Bulbs High Beam & Low
For 2020 2021 Kia Telluride Front LED Headlight Bulbs High Beam & Low from www.ebay.com.au

Hey guys, I have a 2020 Telluride EX and it seems that my high beams do not work Mechanic's Assistant: How long has this been going on with your headlights? Do they flicker at all? Customer: No flicker, about a week

For 2020 2021 Kia Telluride Front LED Headlight Bulbs High Beam & Low

I switched out the bulbs already with LED LasfitAir 9005s and the low beam is brighter but the high beam lever won't activate them when you pull on it. I am doing my best to contact Kia about this issue. Mechanic's Assistant: How long has this been going on with your headlights? Do they flicker at all? Customer: No flicker, about a week

Kia Telluride Owners Are Complaining That Their High Beams Are Dying. On the right, where everything is working fine, I can also hear the movement of this element. I am out of warranty and the dealership is quoting around $3000 to replace them

2020 Kia Telluride Values & Cars for Sale Kelley Blue Book. To date, we have not had any issues involving its windshield. Mechanic's Assistant: How long has this been going on with your headlights? Do they flicker at all? Customer: No flicker, about a week